全國服務熱線:0535-6521950
手機號(同微信):130-0272-6452
電子郵箱:yt-kaiwei@163.com
傳真:0535-6522050
企業總部:煙臺市芝罘區北上坊北街2號
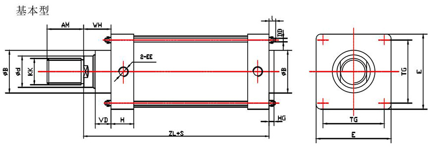
特點
*單活塞桿、活塞雙向作用,可調緩沖。
*傳統產品,經過技術更新,性能先進,使用可靠,壽命長久耐用。
*各種安裝形式,應用范圍廣?;钊麠U鍍鉻。
*活塞運動速度范圍50-500mm/s。

基本參數











魯公網安備 37060202000691號