全國服務熱線:0535-6521950
手機號(同微信):130-0272-6452
電子郵箱:yt-kaiwei@163.com
傳真:0535-6522050
企業總部:煙臺市芝罘區北上坊北街2號
特點
*單活塞桿、活塞雙向作用,無緩沖裝置。
*小型、輕量、性能先進。
*多種安裝形式,應用范圍廣泛。
*活塞桿鍍鉻。
*活塞允許運動速度50-500m m / s。
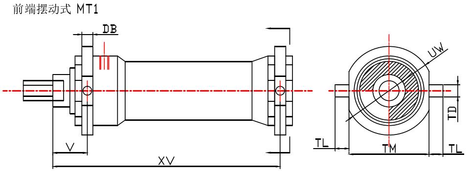
基本參數










魯公網安備 37060202000691號