全國服務熱線:0535-6521950
手機號(同微信):130-0272-6452
電子郵箱:yt-kaiwei@163.com
傳真:0535-6522050
企業總部:煙臺市芝罘區北上坊北街2號
1、簡介:
消化吸收國內外先進技術,自行開發的新產品,它代表一族多品種的薄型缸群體,通過模塊組合和標準化設計派生出五種變型系列薄型氣缸,行成DQGI群體氣缸以滿足用戶對薄型氣缸不同功能,不同用途,多種場合的需要,豐富了薄型氣缸的品種,擴大了薄型氣缸的應用范圍。其特點是:軸向尺寸小,結構緊湊,輕巧美觀,并可帶磁訊發生裝置
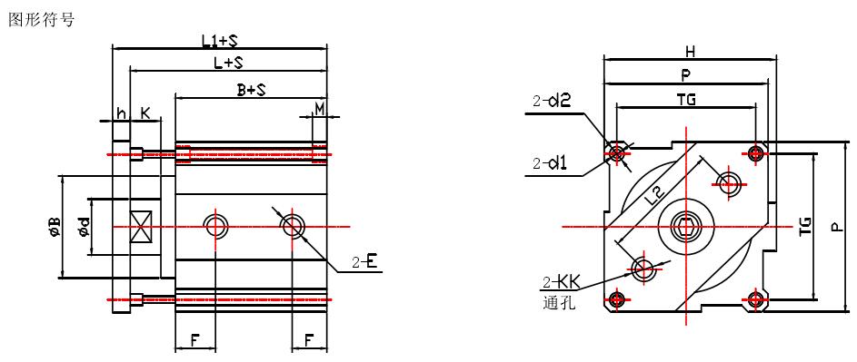
2、技術參數

3、型號標注

示例:磁性開關雙活塞型、缸徑50、行程S1=55,S2=60 DQGIH一K50×55×60
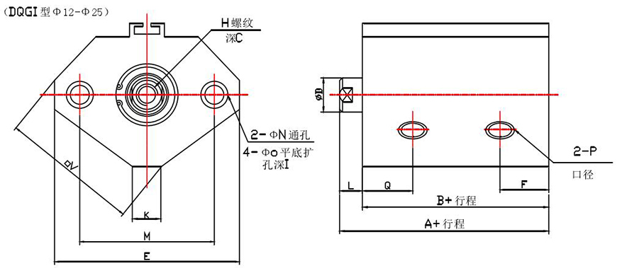
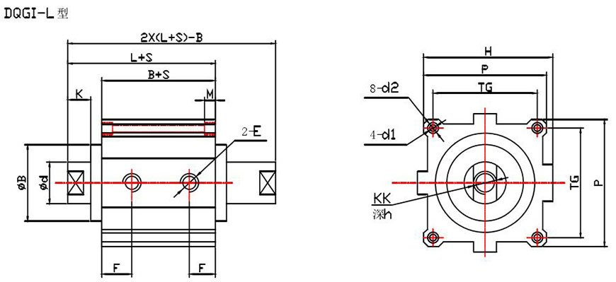
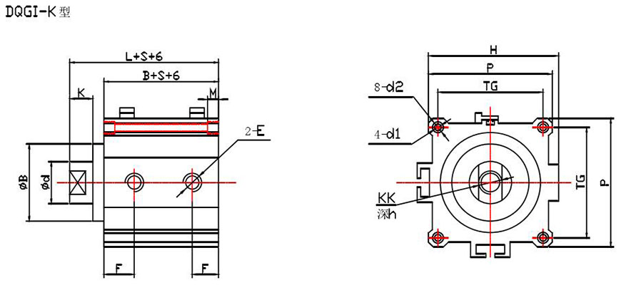
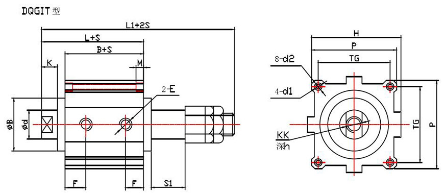
3、外形及連接尺寸













4. 4三位薄型氣缸
三位薄型氣缸是用兩條缸徑相同的氣缸串聯組合而成,前后兩個活塞各有單獨的活塞桿,兩缸完全隔離密封,兩活塞能獨立動作,由于前缸行程S大于后缸行程S1,前缸活塞桿端點有三個位置。前缸行程力總行程S,后缸行程S1為第一步驅動行程,S2力第二.步驅動行程即S2=S-S1,三位薄型氣缸連每個位罝上都可以被精確的驅動和停止定位。




4.5導向薄型氣缸
該產品通過活塞桿與導向板的聯接,在兩個導向桿與缸體配合的引導下帶動負載平穩運行,消除了活塞桿的轉動,減少了轉角誤差,從而使所聯接的負載具備了導向與平穩的性能。




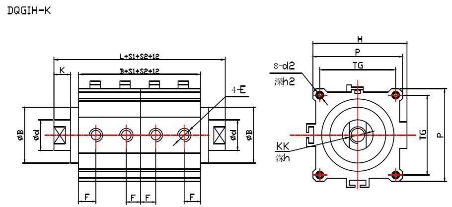
4.6雙活塞薄型氣缸(DQGIH〇32-〇100)
雙活塞薄型氣缸是將兩條缸徑相同,行程相同或不同的標注DQGI薄型氣缸尾接串聯組成。兩個氣缸用兩個換向閥控制獨立應用,兩缸的運動方向,行程負荷均是獨立的。也可由—個閥并聯控制,兩缸活塞桿運動方向可相同也可相反,此時兩缸行程最好相同。如將一缸的活塞桿固定,四個進排氣口配合控制進排氣,另一活塞桿端可以有四個位罝,作為回位氣缸實現位置控制。




魯公網安備 37060202000691號